耐磨管道安装必看,否则你会抓瞎
耐磨管道在安装时有很多细节要注意,其中只要的注意事项就是连接方式之一焊接。
稀土合金耐磨管常温下用二保焊机焊接不需要进行保温处理,如室外操作温度过低要进行保温处理,注意事项:
1、焊接前,准备好J507的焊条,焊条直径Φ4.0,在室内方便的情况,常采用二保焊机使用J507焊丝焊接。
2、焊接时,先要将管道焊接接口对好,有条件的情况下,最好放稳固定,平放更适合焊接。
3、预热要求:稀土耐磨合金钢淬硬倾向大,焊接易产生淬硬组织和冷裂纹,所以室外寒冷条件下焊前必须预热,预热温度一般控制在200~250℃范围内。
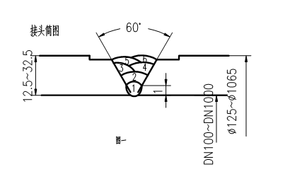
4、管道组对好后应进行定位焊,焊点数一般采用三至六点,焊点长为10~30mm,高为2~4mm,定位焊焊接规范与正式焊接相同,目的是预先调整对正。
5、正式施焊时,应两人对焊,保持两焊点处于对称位置,焊条不得摆动,并采用短弧焊,窄焊道,多层多道焊,一般每层厚度应等于焊条直径
|
6、焊接注意要点:现场焊接,下雨或相对湿度大于等于90%,禁止焊接。
下一篇:我靠!!购买耐磨管道还有这么多的秘密呢!
上一篇:很少人知道的,耐磨管道的秘密















